Центр сантехники
Каталог
Ванны
Акриловые ванны
Стальные ванны
Чугунные ванны
Комплектующие
Душевые кабины, ограждения и поддоны
Душевые боксы
Душевые кабины
Душевые уголки и перегородки
Душевые поддоны
Шторки на ванну
Душевые двери в нишу
Комплектующие
Комплектующие для поддонов
Мебель
Зеркала-шкафы
Комплекты
Полки
Светильники
Столешницы
Тумбы под раковину
Шкафы
Комплектующие
Раковины
Мебельные
Встраиваемые сверху
Встраиваемые снизу
Накладные
Напольные
Подвесные
С (полу)пьедесталом
Над стиральной машиной
Столешницы
Комплектующие
Кухонные мойки
Унитазы
Подвесные унитазы
Приставные унитазы
Унитаз + инсталляция
Унитаз-компакт
Чаши генуя
Унитаз-моноблок
Импульсные унитазы
Комплектующие
Биде
Напольное
Подвесное
Комплектующие
Писсуары и комплектующие
Писсуары
Комплектующие
Инсталляции
Для биде
Для писсуаров
Для раковин
Для унитазов
Кнопки смыва
Смывные бачки скрытого монтажа
Комплектующие
Аксессуары
Держатели для туалетной бумаги
Держатели для фена
Дозаторы
Ёршики
Коврики
Комплекты
Корзины и вёдра
Косметические зеркала
Крючки
Мыльницы
Полки
Полотенцедержатели
Поручни
Сиденья
Стаканы
Шторы и карнизы
Смесители и душ
Верхний душ
Ручной душ
Гигиенический душ
Для биде
Для ванны и душа
Для встраиваемых систем
Для кухни
Для раковины
Комплекты
Душевые шланги
Комплектующие
Душевые системы и гарнитуры
Душевые системы
Душевые гарнитуры
Полотенцесушители
Водяные
Электрические
Комплектующие
Слив
Гофры и отводы
Донные клапаны
Душевые лотки
Механизмы смыва
Сифоны
Сливы-переливы
Трапы
Решетки для душевых лотков и трапов
Комплектующие
Гибкая подводка
Средства ухода
Новинки
Зеркала
Зеркала с подсветкой
Зеркала
Отопление и климат
Водоснабжение
Запорная арматура
Трубы и фитинги
Вентиляторы
Водонагреватели
Радиаторы
Насосы
Фитинги
Инструменты и материалы для монтажа
Комплектующие
Плитка керамогранит
200х1200
600х1200
600х600
800х1600
Фильтры для воды
Фильтры
Картриджи
Акции
Новинки
Бренды
Как купить
Оплата
Доставка
Маркетплейсы
УЦЕНКА!!!
Контакты
+7 999 372-97-58
+7 999 372-97-58
Заказать звонок
Задать вопрос
Войти
  • Корзина0
  • Отложенные0
  • Сравнение товаров0
Ваш город
Магнитогорск
magnitogorsk@santehcentr.com
г. Магнитогорск, ул. Советская 199а, ТЦ Арбат
  • Вконтакте
  • YouTube
Центр сантехники
Ваш город
Магнитогорск
Сравнение0
Отложенные 0
Корзина 0
Войти
+7 999 372-97-58
+7 999 372-97-58
Заказать звонок
Каталог
Акции
Новинки
Бренды
Как купить
  • Оплата
  • Доставка
  • Маркетплейсы
УЦЕНКА!!!
Контакты
+  ЕЩЕ
    Центр сантехники
    Ваш город
    Магнитогорск
    +7 999 372-97-58
    +7 999 372-97-58
    Заказать звонок
    Сравнение0 Отложенные 0 Корзина 0
    Центр сантехники
    Сравнение0
    Отложенные 0
    Корзина 0
    Телефоны
    +7 999 372-97-58
    Заказать звонок
    • Каталог
      • Назад
      • Каталог
      • Ванны
        • Назад
        • Ванны
        • Акриловые ванны
        • Стальные ванны
        • Чугунные ванны
        • Комплектующие
      • Душевые кабины, ограждения и поддоны
        • Назад
        • Душевые кабины, ограждения и поддоны
        • Душевые боксы
        • Душевые кабины
        • Душевые уголки и перегородки
        • Душевые поддоны
        • Шторки на ванну
        • Душевые двери в нишу
        • Комплектующие
        • Комплектующие для поддонов
      • Мебель
        • Назад
        • Мебель
        • Зеркала-шкафы
        • Комплекты
        • Полки
        • Светильники
        • Столешницы
        • Тумбы под раковину
        • Шкафы
        • Комплектующие
      • Раковины
        • Назад
        • Раковины
        • Мебельные
        • Встраиваемые сверху
        • Встраиваемые снизу
        • Накладные
        • Напольные
        • Подвесные
        • С (полу)пьедесталом
        • Над стиральной машиной
        • Столешницы
        • Комплектующие
      • Кухонные мойки
      • Унитазы
        • Назад
        • Унитазы
        • Подвесные унитазы
        • Приставные унитазы
        • Унитаз + инсталляция
        • Унитаз-компакт
        • Чаши генуя
        • Унитаз-моноблок
        • Импульсные унитазы
        • Комплектующие
      • Биде
        • Назад
        • Биде
        • Напольное
        • Подвесное
        • Комплектующие
      • Писсуары и комплектующие
        • Назад
        • Писсуары и комплектующие
        • Писсуары
        • Комплектующие
      • Инсталляции
        • Назад
        • Инсталляции
        • Для биде
        • Для писсуаров
        • Для раковин
        • Для унитазов
        • Кнопки смыва
        • Смывные бачки скрытого монтажа
        • Комплектующие
      • Аксессуары
        • Назад
        • Аксессуары
        • Держатели для туалетной бумаги
        • Держатели для фена
        • Дозаторы
        • Ёршики
        • Коврики
        • Комплекты
        • Корзины и вёдра
        • Косметические зеркала
        • Крючки
        • Мыльницы
        • Полки
        • Полотенцедержатели
        • Поручни
        • Сиденья
        • Стаканы
        • Шторы и карнизы
      • Смесители и душ
        • Назад
        • Смесители и душ
        • Верхний душ
        • Ручной душ
        • Гигиенический душ
        • Для биде
        • Для ванны и душа
        • Для встраиваемых систем
        • Для кухни
        • Для раковины
        • Комплекты
        • Душевые шланги
        • Комплектующие
      • Душевые системы и гарнитуры
        • Назад
        • Душевые системы и гарнитуры
        • Душевые системы
        • Душевые гарнитуры
      • Полотенцесушители
        • Назад
        • Полотенцесушители
        • Водяные
        • Электрические
        • Комплектующие
      • Слив
        • Назад
        • Слив
        • Гофры и отводы
        • Донные клапаны
        • Душевые лотки
        • Механизмы смыва
        • Сифоны
        • Сливы-переливы
        • Трапы
        • Решетки для душевых лотков и трапов
        • Комплектующие
      • Гибкая подводка
      • Средства ухода
      • Новинки
      • Зеркала
        • Назад
        • Зеркала
        • Зеркала с подсветкой
        • Зеркала
      • Отопление и климат
        • Назад
        • Отопление и климат
        • Водоснабжение
          • Назад
          • Водоснабжение
          • Запорная арматура
          • Трубы и фитинги
        • Вентиляторы
        • Водонагреватели
        • Радиаторы
        • Насосы
        • Фитинги
        • Инструменты и материалы для монтажа
        • Комплектующие
      • Плитка керамогранит
        • Назад
        • Плитка керамогранит
        • 200х1200
        • 600х1200
        • 600х600
        • 800х1600
      • Фильтры для воды
        • Назад
        • Фильтры для воды
        • Фильтры
        • Картриджи
    • Акции
    • Новинки
    • Бренды
    • Как купить
      • Назад
      • Как купить
      • Оплата
      • Доставка
      • Маркетплейсы
    • УЦЕНКА!!!
    • Контакты
    • Магнитогорск
      • Назад
      • Города
      • Воронеж
      • Краснодар
      • Липецк
      • Магнитогорск
      • Москва
      • Пятигорск
      • Симферополь
      • Ставрополь
    • Личный кабинет
    • Корзина0
    • Отложенные0
    • Сравнение товаров0
    • +7 999 372-97-58
    Контактная информация
    г. Магнитогорск, ул. Советская 199а, ТЦ Арбат
    magnitogorsk@santehcentr.com
    • Вконтакте
    • YouTube

    Комплект крепления к стене Geberit Duofix для отдельного монтажа, 2 шт (111.839.00.1)

    Главная
    —
    Каталог
    —
    Инсталляции
    ВанныДушевые кабины, ограждения и поддоныМебельРаковиныКухонные мойкиУнитазыБидеПиссуары и комплектующиеАксессуарыСмесители и душДушевые системы и гарнитурыПолотенцесушителиСливГибкая подводкаСредства уходаНовинкиЗеркалаОтопление и климатПлитка керамогранитФильтры для воды
    —Комплект крепления к стене Geberit Duofix для отдельного монтажа, 2 шт (111.839.00.1)
    Акция
    Артикул: 111.839.00.1 Код: УТ005717
    Geberit
    Комплект крепления к стене Geberit Duofix для отдельного монтажа, 2 шт (111.839.00.1)
    УТ005717_0
    УТ005717_0
    УТ005717_0
    1 989 ₽. /шт
    Под заказ
    Характеристики
    Бренд
    —
    Geberit
    Гарантия
    —
    10 лет
    Все характеристики
    • Характеристики
    • Описание
    • Наличие
    • Отзывы
    Бренд
    Geberit
    Гарантия
    10 лет
    Цвет
    Хром
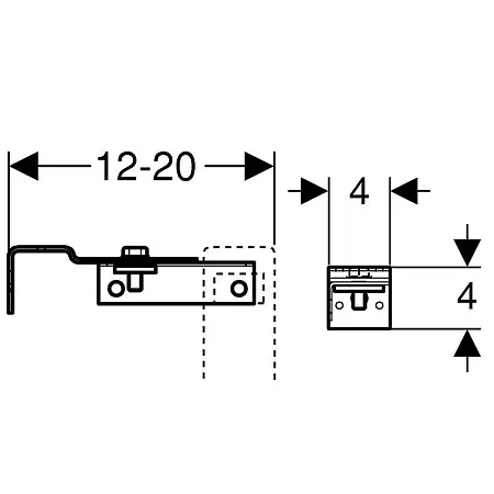
    Ширина, см
    4
    Длина (Глубина), см
    20
    Высота, см
    4
    Глубина, см
    20
    Тип комплектующих
    для инсталляции
    Страна
    Швейцария
    Материал
    металл
    Комплект креплений для инсталляций Geberit 111.839.00.1.

    Характеристики:

    Цвет:  хром.
    Материал: металл.
    Монтаж: к стене.
    В комплекте поставки:

    Комплект креплений.
    Отзывы
    Нет оценок
    Оставить отзыв
    Загрузка отзывов...
    1 989 ₽. /шт
    Под заказ
    В корзину В корзине
    Характеристики
    Бренд
    —
    Geberit
    Гарантия
    —
    10 лет
    Все характеристики
    Цена действительна только для интернет-магазина и может отличаться от цен в розничных магазинах
    Geberit
    Все товары категории
    Все товары бренда Geberit

    Нужна консультация?

    Наши специалисты ответят на любой интересующий вопрос
    Задать вопрос
    Каталог
    Ванны
    Душевые кабины, ограждения и поддоны
    Мебель
    Раковины
    Кухонные мойки
    Унитазы
    Биде
    Писсуары и комплектующие
    Инсталляции
    Аксессуары
    Смесители
    Для душа
    Полотенцесушители
    Слив
    Фитинги
    Средства ухода
    Отопление и климат
    Плитка керамогранит
    Акции
    Бренды
    Покупателям
    Акции
    Бренды
    Оплата
    Доставка
    Гарантия
    Компания
    Документы
    Блог
    Юридическая информация
    Контакты
    Подписаться на рассылку
    +7 999 372-97-58
    +7 999 372-97-58
    Заказать звонок
    magnitogorsk@santehcentr.com
    г. Магнитогорск, ул. Советская 199а, ТЦ Арбат
    • Вконтакте
    • YouTube
    Официальный сайт интернет-магазина
    "Центр сантехники" © Краснодар 2008-2026 Все права защищены.

    Продвижение в компании Brosto.pro
    Карта сайта